8-fach Rückmelder
JSS-88
Dieses Projekt zur digitalen Steuerung und Gestaltung einer Modelleisenbahnanlage wurde mit größtmöglicher Sorgfalt dokumentiert und getestet. Es richtet sich an technisch interessierte Anwender, die eigene Erweiterungen oder Anpassungen vornehmen möchten.
Bitte lesen Sie die gesamte Projektbeschreibung und die zugehörigen Hinweise aufmerksam durch, bevor Sie mit der Umsetzung beginnen. Achten Sie insbesondere auf sicherheitsrelevante Aspekte bei elektrischen Komponenten, Verkabelung und Softwareeinsatz.
Die Inhalte dieses Projekts dienen als Inspiration und Grundlage für eigene Anwendungen im Bereich Modellbau, insbesondere Spur Z. Änderungen, Erweiterungen oder Weitergaben sind ausdrücklich erlaubt – bitte geben Sie dabei auch die zugehörige Dokumentation weiter, damit andere Nutzer von den Informationen profitieren können.
Für Schäden, die durch unsachgemäße Anwendung entstehen, wird keine Haftung übernommen. Die Nutzung erfolgt auf eigene Verantwortung.
1. Bestimmungsgemäßer Gebrauch
ACHTUNG: Nur für erfahrene Elektronikbastler geeignet. KEIN Kinderspielzeug!
Bei Arbeiten an oder mit der aus dieser Dokumentation erstellten Leiterplatte beachten Sie bitte:
- Der Betrieb ist nur an Spannungen kleiner 18 V DC erlaubt. Verwenden Sie ausschließlich geprüfte und zugelassene Steckernetzteile
- Zusammenbau oder Instandsetzungen/Änderungen an der Leiterplatte sind immer im spannungsfreien Zustand durchzuführen
- Betreiben Sie das Gerät nur in trockenen Räumen. Beim Einsatz im Freien sollten Sie entsprechende Maßnahmen zum Schutz gegen Feuchtigkeit ergreifen
- Die zulässigen Ströme an den Schaltausgängen sind einzuhalten. Details finden Sie im jeweiligen Kapitel zur Funktion
- Dieses Produkt ist nicht für die Nutzung durch Kinder unter 14 Jahren geeignet. Die Anforderungen an Kinderspielzeug werden NICHT erfüllt
2. Einleitung
"Machine-to-Machine (M2M) steht für den automatisierten Informationsaustausch zwischen Endgeräten wie Maschinen, Automaten, Fahrzeugen oder Containern untereinander oder mit einer zentralen Leitstelle, zunehmend unter Nutzung des Internets und den verschiedenen Zugangsnetzen, wie dem Mobilfunknetz. Eine Anwendung ist die Fernüberwachung, -kontrolle und -wartung von Maschinen, Anlagen und Systemen, die traditionell als Telemetrie bezeichnet wird. Die M2M-Technologie verknüpft dabei Informations- und Kommunikationstechnik." [Wikipedia, https://de.wikipedia.org/wiki
/Machine_to_Machine]
Was für professionelle Systeme gilt, kann für die Automatisierung einer Modelleisenbahn nicht schlecht sein. Auch hier haben wir eine Leitstelle (bei Märklin® die CS2/3® oder MS2®) und verteilte Komponenten, die über den CAN-Bus verbunden sind. Auf dem CAN-Bus finden wir ein von Märklin® definiertes Protokoll vor. Der Austausch von Informationen erfolgt dann automatisch, wobei es keine reine Master-/Slave-Struktur auf dem Bus gibt, sondern ein Multi-Master-System. Das bedeutet, dass sich die mbc-Module bei Änderungen im Prozess, z.B. beim Umstellen der Weiche, selbständig bei der Leitstelle melden (Aktoren). Gleiches gilt für die Rückmelder (Sensoren).
Neben den Aktoren sind vor allem Sensoren für eine ferngesteuerte Modelleisenbahn notwendig. Diese sind entweder Masse-bezogene Rückmelder oder Stromsensoren.
Im Folgenden finden Sie hier die Beschreibung eines 8-fach Rückmelders für Stromsensorik.
3. Funktion
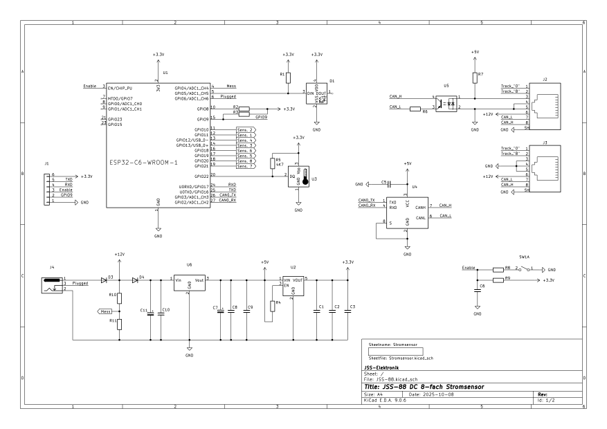
Dieses Modul stellt 8 Rückmeldekontakte für Stromsensorik bereit. Der Einsatz in digitalen 2-Leiter-DC-Anlagen von Trix® ist damit genauso möglich, wie die klassische Anwendung im Märklin® 3-Leiter-AC-System. Alle Kontakte sind untereinander galvanisch verbunden, zum MBCAN-Bus aber galvanisch entkoppelt. Die Bereitstellung des Rückmeldepotenzials wird über die Gleisversorgung (Braun) sichergestellt. Je Eingang kann eine Haltezeit für das Ereignis als Filter programmiert werden. Der Diodentrick zur Sicherung der Stromversorgung von Triebfahrzeugen in der AC-Anwendung mit Massekontakt ist integriert.
Gegenüber der CS2/3® tritt dieses Modul über den Terminaladapter als Rückmelder auf und kann entsprechend parametriert werden (Bus 1 bis 3, vgl. Bedienungsanleitung zum LinkS88® von Märklin®). Dabei repräsentiert es jeweils ein Halbmodul von acht Eingängen, je nach Parametrierung. Die Rückmeldungen werden auch an den MM®-Sniffer mbc-89 übertragen und dort im Standard-s88®-Bus entsprechend der Modulnummer eingereiht.
3. Schaltbild
4. Bestückung
Die Bestückung erfolgt wie üblich von den Bauteilen mit der geringsten Bauhöhe (z. B. Widerstände, Dioden) bis hin zu den höchsten Komponenten (z. B. Steckverbinder, Kondensatoren, Relais). Dieses Vorgehen erleichtert das Handling während des Lötvorgangs und sorgt für eine saubere, mechanisch stabile Baugruppe.
Bitte beachten Sie folgende Empfehlungen:
- Reihenfolge beachten: Beginnen Sie mit flachen Bauteilen wie Widerständen, kleinen SMD-Komponenten oder Dioden. Danach folgen mittelhohe Bauteile wie ICs, Transistoren und kleinere Kondensatoren. Abschließend werden hohe Bauteile wie Steckerleisten, Schraubklemmen oder Relais eingesetzt.
- Lagekontrolle: Achten Sie auf die korrekte Orientierung polaritätsabhängiger Bauteile (z. B. Elektrolytkondensatoren, Dioden, ICs). Ein falscher Einbau kann zu Fehlfunktionen oder Schäden führen.
- Sicherheitsrelevante Komponenten: Sicherungen, Schutzdioden und andere sicherheitsrelevante Bauteile sollten besonders sorgfältig eingesetzt und geprüft werden.
- Lötqualität: Verwenden Sie geeignetes Lötzinn und achten Sie auf saubere, glänzende Lötstellen. Kalte oder übermäßige Lötstellen können zu Kontaktproblemen führen.
- Funktionsprüfung: Nach der Bestückung empfiehlt sich eine Sichtprüfung sowie ein Funktionstest der Baugruppe – idealerweise mit einem Prüfadapter oder Multimeter.
5. Bauteileliste
Die für die Bestückung benötigten Bauteile sind in nachfolgender Tabelle aufgelistet. Ergänzt sind außerdem ein möglicher Lieferant sowie die zugehörige Bestellnummer. Der Lieferant ist nur ein Vorschlag und ist nicht bindend.
| Bezeichnung | Referenz | Wert | Lieferant | Bestell-Nr.: | Anzahl |
| Stiftleiste | J1 | 5 polig gerade RM 2,54 | Reichelt | ECON SL5G1 | 1 |
| RJ45 Printbuchse | J2, J3 | RJ-45 8/8 | Pollin | 543396 | 2 |
| Power Buchse | J4 | Einbaubuchse, Ø innen: 2,1 mm | Reichelt | DC BU21 90 | 1 |
| Wannenstecker | J5-8 | 3-pol, RM 3,5mm | Reichelt | AKL 182-03 | 4 |
| Anschlussklemme | für J5-8 | 3-pol, RM 3,5mm | Reichelt | AKL 169-03 | 4 |
| Prozessor | U1 | ESP32-C6-WROOM-1U-N4 | Mouser | 356-ESP32C6WROOM1UN4 | 1 |
| Spannungsregler | U2 | AP2112K-3.3 600mA SOT25/5 | Mouser | 621-AP2112K-3.3TRG1 | 1 |
| Temperatursensor | U3 | DS18B20 | Pollin | 180101 | 1 |
| CAN Transceiver | U4 | TJA1051T 5 Mbit/s, 5V, SO-8 | Reichelt | TJA1051T | 1 |
| Optokoppler | U5 | EL 814, DIP4 | Reichelt | EL 814 | 1 |
| DC/DC Wandler | U6 | TSR1-2450 | Reichelt | TSR 1-2450 | 1 |
| Optokoppler | U7, U8 | LTV 844S 35V, 50mA, SMD-16 | Reichelt | LTV 844S | 2 |
| RGB LED | D1 | WS2812B-2020 | KT-Elektronik | LED-WS2812 2020-E10 | 1 |
| Gleichrichterdiode | D3-D36 | STPS 340U, 40V, 3A, DO-214AA | Reichelt | STPS 340U STM | 34 |
| Kurzhubtaster | SW1 | 6x6mm, Höhe: 8,0mm | Reichelt | TASTER 9305 | 1 |
| SMD-Widerstand | R12-R19 | 47R, 1206 | Reichelt | SMD 1/4W 47 | 8 |
| SMD-Widerstand | R1-R3, R9, R20-R27 | 10K, 0402 | Reichelt | SMD-0402 10K | 12 |
| SMD-Widerstand | R4 | 100K, 0402 | Reichelt | SMD-0402 100K | 1 |
| SMD-Widerstand | R5 | 4k7, 0402 | Reichelt | SMD-0402 4,7K | 1 |
| SMD-Widerstand | R6 | 120R, 0603 | Reichelt | SMD-0603 120 | 1 |
| SMD-Widerstand | R7 | 390R, 0603 | Reichelt | SMD-0603 390 | 1 |
| SMD-Widerstand | R8 | 470R, 0603 | Reichelt | SMD-0603 470 | 1 |
| SMD-Widerstand | R10 | 9K1 0.1%, 0603 | Reichelt | SPR-0603 9,1K | 1 |
| SMD-Widerstand | R11 | 1K 0.1%, 0603 | Reichelt | SPR-0603 1,00K | 1 |
| SMD-Kondensator | C1 | 10µF, 35V, 0603 | Reichelt | GRM188R6YA106M | 1 |
| SMD-Kondensator | C2 | 1µF, 25V, 0603 | Reichelt | KEM X5R0603 1,0U | 1 |
| SMD-Kondensator | C3 | 100nF, 100V, 0603 | Reichelt | GRM188R72A104K | 1 |
| SMD-Kondensator | C5, C6 | 100nF, 100V, 0402 | Reichelt | GRM155R62A104K | 2 |
| Elko | C7 | 470µF, 35V, D10, RM5 | Reichelt | FR-A 470U 35 | 1 |
| SMD-Kondensator | C8-C10 | 100nF, 100V, 1206 | Reichelt | 12061C104KAT2A | 1 |
| Elko | C11 | 47µF, D5, RM2,5 | Reichelt | HD-A 47U 35 | 1 |
| Platine | PL1 | 82x98,8mm | JSS-88 | 1 | |
| Gehäuse | G1 | B6504229 | OKW | Railtec B, 6 | 1 |
Das Gehäuse ist optional. Die Platine ist allerdings exakt auf das in der Tabelle stehende Gehäuse abgestimmt.
6. Anschlussbeispiel
7. Inbetriebnahme
8. Modulbilder
Dieses Modul stellt 8 Rückmeldekontakte für Stromsensorik bereit. Der Einsatz in digitalen 2-Leiter-DC-Anlagen von Trix® ist damit genauso möglich, wie die klassische Anwendung im Märklin® 3-Leiter-AC-System. Alle Kontakte sind untereinander galvanisch verbunden, zum MBCAN aber galvanisch entkoppelt. Die Bereitstellung des Rückmeldepotenzials wird über die Gleisversorgung (Braun) sichergestellt. Je Eingang kann eine Haltezeit für das Ereignis als Filter programmiert werden. Der Diodentrick zur Sicherung der Stromversorgung von Triebfahrzeugen in der AC-Anwendung mit Massekontakt ist integriert.
Gegenüber der CS2/3® tritt dieses Modul über den Terminaladapter als Rückmelder auf und kann entsprechend parametriert werden (Bus 1 bis 3, vgl. Bedienungsanleitung zum LinkS88® von Märklin®). Dabei repräsentiert es jeweils ein Halbmodul von acht Eingängen, je nach Parametrierung. Die Rückmeldungen werden auch an den MM®-Sniffer mbc-89 übertragen und dort im Standard-s88®-Bus entsprechend der Modulnummer eingereiht.
9. Allgemeine Hinweise zum Projekt
Hinweis zur Nutzung und Haftung:
Diese Dokumentation bezieht sich auf meine private, nicht-kommerzielle Internetseite zu meinen Projekten unter der Domain jss-elektronik.de. Sie dient ausschließlich der Darstellung meines Hobbys. Dazu zählen auch die dort angebotenen Dokumente und Softwarepakete zum Download.
Die Inhalte der Webseite, die Dokumentation sowie die darin enthaltenen Ideen und Schaltungen sind ausschließlich für den privaten Gebrauch bestimmt. Der Nachbau von Schaltungen oder die Nutzung der Software erfolgt auf eigene Verantwortung. Es wird keinerlei Haftung für Sach-, Vermögens- oder Personenschäden übernommen, die durch deren Anwendung entstehen könnten.
Marken- und Urheberrechte:
Alle auf dieser Webseite und in den zugehörigen Dokumenten genannten Marken, Produktnamen und Warenzeichen sind Eigentum der jeweiligen Rechteinhaber. Die Nennung erfolgt ausschließlich zu Informationszwecken. Sämtliche damit verbundenen Rechte werden ausdrücklich anerkannt.
Sofern nicht durch Rechte Dritter geschützt, liegen sämtliche Urheberrechte an den hier veröffentlichten Texten, Bildern, Schaltungen und Quellcodes bei JSS-Elektronik (Jörg Seitz). Eine Verwendung auf anderen Webseiten oder jegliche andere Form der Veröffentlichung – auch auszugsweise – ist ohne ausdrückliche schriftliche Genehmigung untersagt.
© 2025 Jörg Seitz. Alle Rechte vorbehalten.